-
Krister.Ik wil even zeggen hoe onder de indruk ik ben van de resultaten van de laserdoelen tot nu toe. Dank u voor uw werk en inspanning! Ik kan niet wachten om het eindresultaat te zien. -
ChrisGeweldig bedankt voor de geweldige klantinteractie Ik wou dat meer bedrijven je voorbeeld zouden volgen en met hun klanten zouden communiceren. -
Jeo.Ik heb de holografische visie ontvangen, ik probeer de visie uit en het lijkt goed te werken.Ik zag wel vlekken of vingerafdrukken op de lenzen.Er zijn een paar kleine dingen die kunnen worden gewijzigd of verbeterd, maar ik zal veronderstellen dat ze in -
RyanDank u, de precisie en de parameters voldoen perfect aan mijn verwachtingen. -
ThomasIk moet zeggen, uw holografische zicht is echt indrukwekkend... het kan zeker concurreren met EOTECH!
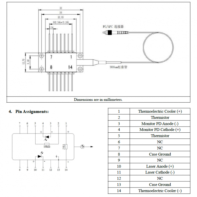
1030 nm 200 mW Single-Mode Laser Diode Butterfly Package met TEC en optionele driver
Contacteer me voor vrije steekproeven en coupons.
WhatsApp:0086 18588475571
wechatten: 0086 18588475571
Skypen: sales10@aixton.com
Als u om het even welke zorg hebt, verstrekken wij de online-Help van 24 uur.
x| Productnaam | DFB Butterfly-pakket glasvezelgekoppelde laserdiodemodule | Golflengte | 1030nm |
|---|---|---|---|
| Uitgangsvermogen | 200,0 mW | Lasermodus | CW |
| Ingangsspanning | 5.0V gelijkstroom | Connector | FC/PC, FC/APC, SMA905 |
| Vezeltype | PM980 | Levensduur | 10.000 uur |
| Markeren | 1030 nm enkelmoduslaserdiode,200 mW vlinderpakketlaser,met een vermogen van meer dan 50 W |
||
1030 nm 200 mW PM1030 Single-Mode Laser Diode Butterfly Package met TEC en optionele driver
Productbeschrijving
De...AMLD-serie 1030 nm laserdiodeis een high-performance single-mode laser ontworpen voor precisie toepassingen.multiquantum well (MQW) chipin eenhermetisch afgesloten 14-pin vlinderpakket, geïntegreerd met eenthermo-elektrische koeler (TEC),thermistor,fotodiode van de monitor, enoptische isolator, het waarborgenstabiele output, smalle lijnbreedte en lange termijn betrouwbaarheid.
De laserdiode ismet een gewicht van niet meer dan 10 kgen ondersteuntoptioneel laserdriver met temperatuurregelaar. De bestuurder verstrektnauwkeurige stroom- en temperatuurregelingviaRS-232-interfaceenspeciale besturingssoftware, waardoor externe bewaking, stabiele constantstroom en een zeer nauwkeurig temperatuurbeheer mogelijk zijn.
Dit laser systeem is ideaal voorlaboratoriumproeven, glasvezelonderzoek, industriële toepassingen, en elk proces dathoge stabiliteit en herhaalbare prestaties.
Specificaties
|
Artikel 1 |
Vervaardiging |
|
Modelnummer |
DFB Butterfly Package vezelgekoppelde laserdiodemodule |
|
Waallengte |
1030 ± 2 nm |
|
Uitgangsvermogen |
200 mW |
|
Lasermodus |
CW |
|
Verhouding van de onderdrukking in zijmodus |
50 dB |
|
Polarisatie-uitstervingsratio |
≥ 18 dB |
|
Werkspanning |
5.0V/3A |
|
Relatieve geluidsintensiviteit |
≤-140 dB/Hz |
|
Vlakken |
PM980 |
|
Werktemperatuur |
-20°C tot 70°C |
|
Afmetingen |
30x12 mm |
|
Lange vezels |
1 m |
|
Verbinding |
FC/PC, FC/APC, SMA905 |
|
Levensduur |
10,000 uur |
Kenmerken
● Hoog prestatievermogenenkelmodus-uitgangmet een smalle lijnbreedte
●Stabiel en betrouwbaar functionerenonder verschillende temperaturen en omgevingsomstandigheden
●GeïntegreerdTEC, thermistor en fotodiode van de monitorvoor nauwkeurige controle
●met een gewicht van niet meer dan 50 kgontwerp voor eenvoudige integratie in optische systemen
●Optioneel laserdriver en temperatuurregelaar
Toepassingen
De 1030nm DFB Butterfly Package vezelgekoppelde laserdiodemodules met TEC en optionele driver worden gebruikt in:
● Wetenschappelijk onderzoek:Ideaal voor interferometrie, spectroscopie en laboratoriumlaser-experimenten die een smalle lijnbreedte en een stabiele output vereisen.
●Fiberversterker pompen:Geschikt voor het pompen van EDFA's en SOA's bij de versterking en het testen van optisch signaal.
●Fiber Sensing:Gebruikt in FBG-sensoren en gedistribueerde glasvezelsensorsystemen (DTS/DAS).
●Industriële & laserverwerking:b. met een vermogen van meer dan 10 W;
●Telecommunicatie en optische netwerken:Voor het uitlijnen, testen en signaleren in glasvezelsystemen.
Handelsvoorwaarden
1) Betaling: T/T, PayPal, Western Union, enz.
2) Verzending:FedEx, DHL, UPS enz.
3) Levertijd: 5 - 20 dagen.
4) Verzendingsvoorwaarden: FOB Xi'an China
Waarom u ons kiest
EenMeer dan 20 jaar laser ervaring.
B.Grote faciliteit van 4500 m2 en meer dan 180 professionele medewerkers.
CGebruik originele LD's van Arima, Osram, Nichia, enzovoort om de betrouwbaarheid te garanderen.
DGeproduceerd in onze ISO9001:2008 kwaliteitssysteem fabriek.
EHet product voldoet aan FDA, IEC en GB normen.
FSterke ontwerp- en productiecapaciteit, partners van bekende merken.
![]()


